当前位置: 首页 > 解决方案 > 智能配电解决方案
方案背景
随着配电网中非线性、冲击性及单相负载大量接入,三相不平衡、无功功率缺额、谐波污染等问题日益突出,严重导致:

• 配变容量利用率降低、过载能力下降
• 线路及变压器损耗大幅增加
• 零序电流引发钢构件发热、绝缘加速老化
• 电压质量下降、用户用电体验差

传统治理手段(如固定投切电容器、机械式换相开关)响应慢、精度差,已无法满足现代配电网需求。
系统典型部署与原理
网聪科技自主研发的配网三相不平衡智能调节装置,采用全电力电子拓扑,一机实现以下核心功能:

• 毫秒级动态无功补偿
• 三相有功功率智能转移与平衡调节
• 有源滤波(消除谐波)
• 抑制电压闪变与波动

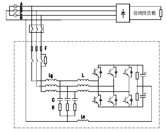
装置安装于配变低压侧,通过实时注入与负载负序/零序电流大小相等、方向相反的补偿电流,实现三相电流精准平衡(不平衡度可降至5%以内),功率因数提升至0.99以上。
三相不平衡智能调节装置原理图
典型安装方式
抱杆安装 横杆安装 现场实景
实测效果与核心优势
典型台区实测数据(安装前后对比)
• 三相电流不平衡度:50%+ → 5%以下
• 功率因数:0.75~0.85 → 0.99以上
• 日均线损下降:12%~28%
• 配变有效容量释放:15%~30%
核心优势
• 毫秒级响应,无机械动作,寿命长
• 一机多能,无需额外无功补偿或滤波装置
• 支持远程监控与群控,接入配网自动化系统
• 抱杆/横担灵活安装,施工简单
更多方案
全程打造, 专注产品服务, 助力新能源数字化转型 预约体验